Optris Logo - Affordable temperature measurement solutions
tune

Product Configurator

Finding the perfect Optris product for your needs.

IR Thermometer Configurator arrow_forward IR Camera Configurator arrow_forward
Configurator Screen
lens_blur

Optics Calculator

Use the Calculator to quickly determine the right spot size for your needs.

Explore Now arrow_forward
Calculator Screen
forum

Chat with Engineers

Online service support

Chat Now arrow_forward
call

Call Us

Sales department:
+1 603 766-6060

mail

Email Us

Sales department:
sales@optris-ir.com

Contact Us arrow_forward
construction

Request a Repair

Service request for repair orders:
support@optris-ir.com

Service Request Form arrow_forward

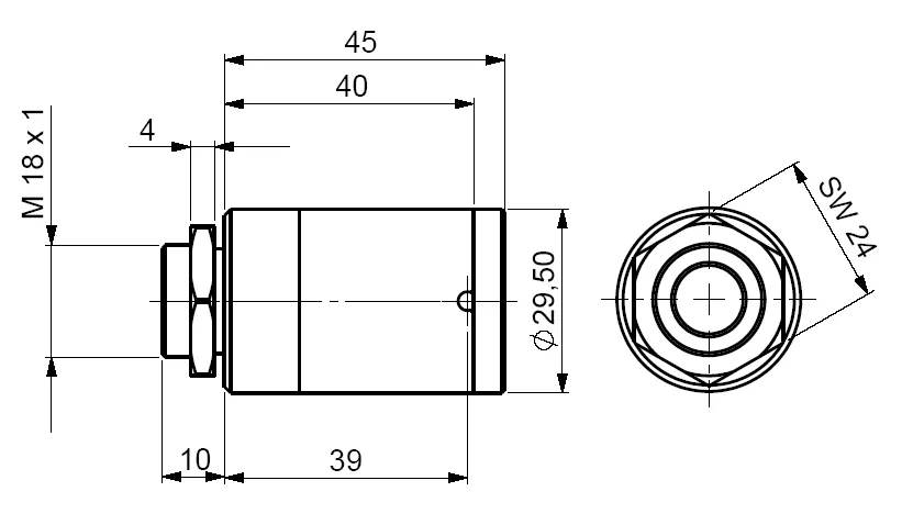
Compact Massive Sensor Housing for CSmicro and CT series

.

The compact massive housing helps ensure accurate temperature measurements in environments with significant and fast temperature fluctuations. By integrating the sensor and the first part of the cable into the enclosure, the system minimizes temperature gradients along the sensor head. This integration ensures that there is no significant difference in temperature along the length of the sensor. It stabilizes the thermal environment of the sensor, eliminating temperature gradients that cause random deviations due to static temperature gradients. The material with high thermal conductivity of the bulky enclosure minimizes temperature gradients along the sensor head. Made from robust materials like stainless steel, aluminum, or brass, it offers mechanical protection and compatibility with accessories such as close-focus lenses and protective windows.

From $150.00

excl. sales taxes, custom tariffs and shipping

Product Description

The compact massive housing ensures accurate temperature measurements in environments with significant quick ambient temperature variations. Integrating the sensor head and cable minimizes temperature gradients along the sensor head, stabilizing the thermal environment and therefore can eliminate random measurement deviations. Made from robust materials like stainless steel, aluminum, or brass, it offers mechanical protection and compatibility with other accessories such as close-focus lenses and protective windows.

Specification

General Specifications

  • Size: Ø29.5 mm x 35 mm (1.16 in x 1.38 in), M18x1
  • Weight: Stainless steel: 180 g (6.35 oz) (D06ACCTMHS); Brass: 190 g (6.7 oz) (D06ACCTMHB), Aluminum: 70 g (2.47 oz) (D06ACCTMHA)
  • Material: stainless steel, anodized aluminum, or brass
  • Operating temperature range: Same as the sensing head
Downloads

BROCHURE

PDF - 4.91 MB

Product Overview

Complete the form to download the file

    Fields marked * are required


    FAQs

    When should this enclosure be used?

    The compact massive housing, designed for environments with significant ambient temperature variations and the presence of temperature gradients along the sensing head, is a reliable choice for harsh industrial conditions. It ensures stable, reproducible measurements, making it ideal for applications that demand precision and consistency.

    Which material should be used?

    The compact massive housing should be made from robust materials such as stainless steel, aluminum, or brass. Optris usually advises using the material with the highest thermal conductivity, which in this case is aluminum. Nevertheless, often, it is not advised to get in contact with different metals with each other. Therefore, multiple options are available.
    Install the sensor by threading it into the massive housing, ensuring 10 cm of the head cable is looped inside the enclosure for optimal performance.

    What accessories are compatible with the massive housing?

    Accessories such as close-focus lenses and protective windows are compatible.

    Are there any special installation tools needed?

    No special tools are required; standard installation tools suffice.

    How does the massive housing effect sensor calibration?

    It does not affect calibration but ensures more repeatable measurements by preventing quick ambient temperature fluctuations or thermal gradients along the sensor.

    Scope of Supply
    • Sensor housing in stainless steel, anodized aluminum or brass material
    • Optional integrated close focus lens
    Related Products

    COMPARE:

    Compare